【史上最全】超濾運行培訓
1 安全注意事項
1.1 機械設備
1.1.1 組件泄漏
如果維護方法正確,且操作壓力低于0.6MPa的最大操作壓力,HFUF組件不會發生泄漏。一旦發生泄漏事故,必須立即關閉裝置。關機后,檢查漏水裝置,并予以排除,爾后裝置再次加壓試水。
1.1.2 離心泵
1.泵運轉時,切勿對其進行維護等操作;
2.要維護停運的泵,必須加以醒目標識;
3.泵的維護結束后,把所有的防護件復原;
4.確保泵的電機風扇的通風順暢;
5.泵維護和維修結束后,應按新泵首次運行規定進行檢查作業。
1.1.3 管線與閥門
HFUF裝置的輸水系統包括不同管徑的管道以及連接件。裝置的不正確操作能導致其損壞,并可能因高壓下的泄漏引起人身傷害。
1.確認所有管線的支撐、安裝牢固;
2.為避免系統承受過高的壓力,在打開進水閥之前,須先打開出水閥。
1.2 停機
為了確保操作人員或檢修人員的安全,對所有設備的停機,都應遵守規定的停機程序。停機程序不僅針對轉動或電氣設備,也針對容器、輸水管線等。
1.3 通道
在HFUF設備周圍應該有暢通的通道。地面應做防滑處理并保持干燥、整潔。盡量不要在運行裝置的附近存放設備、零件等。注意確保所有場地的照明,以方便操作和維護。
1.4 安全防護設施
當使用化學藥品進行清洗和進行帶電作業時,務必穿戴安全防護用品。如果不遵照下面的要求,可能導致無法挽回的人身傷害。
1. 當工作人員暴露在酸、堿、氧化劑環境下,必須穿戴橡膠手套、橡膠套服、頭盔以及護目鏡。
2. 當操作人員在帶電作業時,應該戴絕緣手套、使用絕緣橡膠墊,并有人在旁邊提供必要的幫助和救護。
3. 緊急噴淋裝置必須保證處于良好工作狀態。
4. 接觸有害藥品的人員必須全面了解一旦事故發生時,應采取哪些措施。
5. 發生溢出事故時,應按貴公司的安全操作規范進行處理。
1.5 安全檢查項目
在進行HFUF裝置操作之前,雙方應共同檢查是否落實了以下的安全措施:
1.在明顯處張貼處理緊急事故有關單位、人員的聯系電話。
2.所有設備的操作人員熟知現場安全防護措施。
3.熟知所有的泵和自動閥門的關閉位置。
4.所有泵/閥門、啟動鈕的標識清楚、正確。
5.確保設備周圍通道暢通,光線充足。
6.保持設備清潔和良好維護。
7.保證設備必要通風。
8.不要超過HFUF膜組件及管線的最大允許壓力。
2 概述
2.1 膜技術簡介
膜技術是20世紀發展起來的一種水處理技術。常用的膜技術包括微濾(MF超濾(UF)納濾(NF)電滲析(EDI)和反滲透(RO)膜分離過程在常溫下進行,無相變,不產生二次污染,是一種高效節能型分離凈化技術,廣泛應用于各個領域。膜處理技術有以下基本性能:
它是一種物理過濾作用,不需要加注藥劑;
它是一種絕對的過濾作用;
它不產生副產品;
它運行的驅動力是壓力,容易實現自動控制。
表2-1顯示了水中各種雜質的大小和去除它們所使用的分離方法。反滲透主要用來去除水中溶解的無機鹽;而超濾則可以去除病毒、大分子物質、膠體等;微濾一般能夠去除水中的細菌、懸浮物等,具有很好的除濁效果。這些都是傳統的過濾(如砂濾、多介質過濾等)無法實現的。
表2-1 膜法工藝適用范圍與特點

2.2 中空纖維超濾膜和組件
微孔孔徑為0.01-0.1μm 的膜一般稱為超濾膜,它的最主要的形式之一是中空纖維膜,呈毛細管狀,經噴絲紡制而成。其內表面或外表面為致密層,或稱活性層,內部為多孔支撐體。分離機理主要是篩分作用,在膜的致密層上有許許多多的貫通孔,在壓力驅動下,尺寸小于膜篩分孔徑的分子或粒子,可穿過纖維壁,而尺寸大于膜篩分孔徑的分子或粒子則被子纖維壁所截留,從而實現大小粒子的分離。除此之外,溶液的化學性質(pH值、電性)成份(有否其它粒子存在)以及膜致密層表面的結構、帶電性及化學性質(疏水性、親水性等)等也會影響膜的分離性能。它所分離的組分直徑為0.005~0.10 μm,一般相對分子質量大于500的大分子和膠體,采用的操作壓力一般為0.1~0.6MPa。根據致密層位置不同,中空纖維濾膜又可分為內壓膜、外壓膜及內、外壓膜三種。
用中空纖維濾膜組裝成的組件,由殼體、管板、端蓋、導流網、中心管及中空纖維組成,有原液進口、過濾液出口及濃縮液出口與系統連接。其特點是:一是纖維直接粘接在環氧樹脂管板上,不用支撐體,有極高的膜裝填密度,體積小而且結構簡單,可減小細菌污染的可能性,簡化清洗操作。二是檢漏修補方便,截留率穩定,使用壽命長。
2.3 HFUF-IBO200 膜組件的特點
HFUF-IBO200型膜組件是為滿足大多數RO 前處理以及中水回用處理的需要而特別開發的。它采用PVDF為膜材料,經過適當的化學改性,具有良好的親水性,耐氧化、抗污染等良好的過濾性能,是市面上不多的外壓式過濾產品之一,相對于內壓式來說,它的流道空間不固定,具有更寬的進水指標和更高的截污能力。
HFUF膜過濾設計方式以能耗比較低全流過濾為主,另外對于高懸浮物的進水,HFUF也可采用常規超濾的錯流過濾方式以減小膜污堵的速度,并輔以適當的反洗和氣洗頻率,減少膜表面的污堵,節省能耗,改善出水水質。
3 HFUF裝置
HFUF裝置是根據用戶產水要求,由數只乃至數十只HFUF組件并聯組合而成。
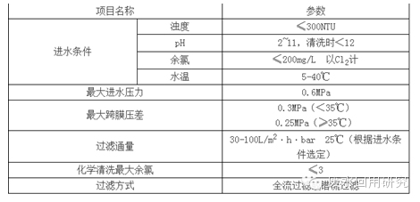
3.1 膜組件基本使用條件

注:表列組件產水量是通用標準,具體項目組件產水量根據具體水源條件而定。
3.2 膜組件主要運行參數

注:表列組件產水量是通用標準,具體項目組件產水量根據具體水源條件而定。
3.3 膜組件反洗參數

注:如原水為地表水,應在反洗水中加入NaClO,并控制反洗排放水余氯濃度為3-5mg/L。
4 設備的運輸與安裝
4.1 運輸與裝卸
整個運輸過程應確保裝置環境溫度在0-40℃范圍內,以免膜組件的損壞。并避免將裝置置于陽光下暴曬,以免紫外線對裝置上的工程塑料造成損傷。
所有的設備在提貨地應該按照貨單進行徹底檢查。如果有任何損環、組件短缺或者與單據不符,請立即與我公司聯系。
所有的HFUF裝置都有被設計成撬式結構,并設有專用的吊環以便使用吊車進行裝卸。
其中膜組件也可以進行獨立包裝。膜組件外套有塑料薄膜袋,封口后放入有防震和固定措施的硬質紙板箱內;裝卸時注意不劇烈撞擊與拋擲。
膜組件運輸過程中應將其平放在運輸載體上,最大允許疊放層數為4層,同時須遮陽避雨,防曝曬及冰凍,運輸環境溫度高于0℃。
每個HFUF組件濕重約32Kg。
注意:不要用設備上連接的管道來抓舉和移動HFUF裝置。這些連接管的材質為工程塑料,不能用來承重或移動HFUF裝置的。
4.2 HFUF的使用環境

4.3 基礎
裝置基礎應能承受設備的負荷。我公司在手冊(3.4)中已經給出了設備的重量。
4.4 排水
考慮到啟動和不正常運行狀態時,排水量可能增大。故排水系統的設計能力最低應該能排除一個單元的最大產水流量。
4.5 裝置的安裝
1.按平面布置圖要求對設備進行就位并固定。
2.安裝所有的因為運輸而被拆卸下來的閥門和管道。
3.如HFUF組件是分別單獨運輸的,應根據裝置總圖將組件上架并連接好所有管道。
4.接通HFUF裝置的各進、出水的管線。
5.按照相關標準對所有HFUF裝置外接管道安裝支撐。
6.檢查HFUF裝置上所有連接電纜線的緊固件,確保連接緊固。
7.膜組件安裝時,應注意不得將組件作為支撐件;不得有重物或硬物撞擊殼體,也不得將組件置于日光直射下工作,以免組件殼體老化。
4.6 HFUF裝置的貯存
1.HFUF裝置應該放于室內,不應該暴曬于日光下。
2.HFUF裝置不允許儲存在5℃以下,并且溫度也不允許高于40℃。
3.暫不使用的膜組件,應灌注保護液后封口,堆放在地面平整、清潔,周圍環境無腐蝕與污染物,且遠離冷、熱源的室內。貯存溫度控制在5~40℃范圍間。
4.每隔一個月應測試一次保護液的pH值,如pH≤3時應及時更換保護液。
5.成裝置膜組件的停運保養要點
(1)裝置上的膜組件如短期停用(2 ~ 3天),可每天運行約30 ~ 60min,以防止微生物的繁殖污染;
(2)裝置上的膜組件如長期停用(7天以上),必須將膜組件進行充分的清洗,然后,將設備內滯留的水排干,再用清洗裝置將保護液注入膜組件內,并關閉所有進、出水閥門。且每用檢查一次保護液的pH值。保護液配方見上第4條所述。
6.保護液配方
根據現場實際情況不同,我提供以下主要三種保護液:
(1)1%濃度的亞硫酸氫鈉水溶液
(2)1%濃度的亞硫酸氫鈉水溶液+10%丙三醇
(3)10%丙三醇
4.6.1 裝置使用的儀器及閥門保護設備免受腐蝕性氣體以及灰塵和濕度的污染。貯存場所的溫度應該在5℃以上。
4.6.2 離心泵保存在室內。每月至少啟動一次。
注意:儀表和泵均非我公司產品,請查看相關生產廠家提供的資料。
5 HFUF裝置的運行
HFUF裝置首次運行或長時間停運后恢復運行,需要進行沖洗以除去組件內的保護溶液。
最開始的啟動應該為手動的,但是一旦所有的流速和壓力、時間被設置后,裝置應該恢復為自動。裝置恢復自動后,PLC系統可以有效監控系統的運行,一旦運行條件不滿足,裝置會自動采取保護措施。
裝置啟動所涉及到的基本步驟如下:
1.啟動供水泵;
2.裝置灌滿水和沖洗;
3.啟動反洗水泵;
4.設置反洗壓力;
5.設置濃水排放流量;
6.設置進氣壓力;
7.設置反洗時間間隔;
8.設置氣擦洗時間間隔;
9.設置并聯裝置反洗順序。
5.2 啟動前的檢查內容
1.排水系統已經準備完畢。
2.PLC程序已輸入。
3.電路系統檢查已完成。
4.管路系統連接完成并已清洗干凈。
5.3 啟動
在啟動前應進行以下核查:
1.按安裝核查表進行核查(詳見安裝指導)
2.所有的閥門處于關閉狀態
3.所有的泵處于關閉狀態
4.安全設備已安裝并處于正常狀態
5.3.1 HFUF組件的沖洗
投運時,裝置的沖洗可以只進行反沖洗也可進行反沖洗輔以正洗,下面以進行反沖洗輔以正洗為例:
1.打開裝置的濃排閥
2.啟動給水泵
3.打開裝置的正洗閥,并關閉下排閥
4.連續沖洗數分鐘再轉入反洗過程:
1) 打開裝置的濃排閥和下排閥
2) 打開反洗閥,緩慢打開反洗進水手調節閥,維持較低的進水壓力(低于0.15MPa)連續沖洗數分鐘。
5.重復步驟1、3、4直至沖洗水無泡沫。
6.用水溫大于30℃的0.2%次氯酸鈉水溶液(有效氯計)浸泡0.5-3小時,并再次沖洗(如上述步驟)至沖洗出水余氯小于0.1ppm,至此HFUF裝置啟運前準備完畢。
注:反洗水至少為UF產水以上的高質量水。
5.3.2 啟動程序
根據進水確定HFUF裝置的允許最大產水量、工作壓力、反洗時間間隔:
1.裝置允許最大產水量是由進水類型及水質決定的。
進水水質與組件產水量的關系見下表:

注:裝置的產水量應乘裝置的組件數。
注:表列組件產水量是通用標準,具體項目組件產水量根據具體水源條件而定。
2.裝置濃水排放量是由進水濁度決定的。在進水濁度高的條件下,加大濃水排放量可以有效控制HFUF組件濃水的淤塞速率。具體的濃水排放量由中試試驗確定 。
注:裝置排放量應乘裝置的組件數。
3.HFUF進水壓力應控制在膜兩側平均壓力差≤0.21MPa
膜兩側平均壓力差 = 進水壓力 + 濃水排放壓力 -產水出口壓力
如全流過濾,則:
膜兩側平均壓力差 = 進水壓力- 產水出口壓力
4.流量和壓力的調整程序如下:
a) 產水的調整
打開產水閥;
開啟UF給水泵;
緩慢打開進水閥門;
調整進水閥門,使產水流量達到要求水量(組件首次投運時,注意起始產水量應控制在設計產水量的60%左右運行,24小時后再增至設計產水量);
如果同時有濃水排放,應同步調整。
b) 濃水的調整(錯流工作狀態)
緩慢打開濃水排放閥;
調整濃水手動排放閥至需要的排放量。
c) 反洗水壓力的調整
全開濃水排放閥;
啟動反洗水泵;
緩慢打開反洗閥;
調整反洗手動閥門至壓力<0.15MPa;
打開下排閥,關閉濃排閥,調整下排手動閥至單支流量2-4 m3/h,壓力小于0.15MPa。
d) 正洗水流量的調整
開啟濃水排放閥15%;
打開進水閥;
調整濃水排放閥開度至單支排放量1-2m3/h。
e) 夾氣反洗進氣壓力的調整
進入反洗程序;
緩緩開啟進氣閥至進氣壓力為1 MPa,氣量控制在每支5-7N m3/h。
5.對以上的閥門開度進行定位。
5.3.3 自動控制
當裝置由手動控制將所有的流量、壓力設置完畢后,裝置需要關閉,然后以自動方式重新啟動。
1、關閉所有開關,將手動開關轉為自動;
2、啟動HFUF裝置;
3、調整產水壓力保護開關,當產水壓力高于設定值,濃水排放閥應自動開啟,并報警,延時停機。
6 運行裝置的停機程序
6.1 手動操作模式下的停機
1.打開濃水排放閥,沖洗15秒;
2.緩緩關閉進水閥。
6.2 自動控制模式下的停機
裝置在自動模式下運行,當下面的一些情況發生時,裝置會發生自動關閉或不能投入自動運行現象:
1.供水水泵沒接到運行指令,或者泵的手動開關沒有置于自動狀態;
2.產水出口壓力過高。
6.3 裝置長時間停機
1.如果裝置需關停,組件如短期停用(2~3天),可每天運行約30~60min,以防止細菌污染。
2.組件如長期停用(7天以上),關停前對HFUF裝置進行一次夾板反洗;并向裝置內注入保護液,關閉所有的HFUF裝置的進出口閥門。每月檢查一次,并控制環境溫度在5—40℃以內。
3.長時間關停后重新投入運行時,應將HFUF裝置進行連續沖冼至排放水無泡沫。
4.停機期間,應自始自終保持超濾膜處于濕態,一旦脫水變干,將會造成膜組件不可逆損壞。
注意:在準備裝置長時間停機過程中,控制柜輸出電源必須關閉。并且輸入電源也應處于關閉狀態。
注意:在任何時候都必須保持HFUF膜處于濕態,一旦脫水變干,都將造成膜組件不可逆損壞。
7 操作指導
為了使HFUF裝置持續產出滿足需要的過濾水,必須滿足三個條件。它們包括:合格的進水水質,合適的反洗時間間隔,及時的化學清洗。上面的任一條件不滿足,裝置將難以穩定產出滿足需要的過濾水。
7.1 進水水質要求
進水的水質要求在概要部分已經詳細給出,控制這些指標的目的,就是為了避免這些雜質含量過高而對膜組件造成嚴重的膜污染。
在膜過濾過程中,膜污染是一個經常遇到的問題。所謂污染是指被處理液體中的微粒、膠體粒子、有機物和微生物等大分子溶質與膜產生物理化學作用或機械作用而引起在膜表面或膜孔內吸附、沉淀使膜孔變小或堵塞,導致膜的透水量或分離能力下降的現象。
7.1.1 膜污染形式
膜污染主要有膜表面覆蓋污染和膜孔內阻塞污染兩種形式。膜表面污染層大致呈雙層結構,上層為較大顆粒的松散層,緊貼于膜面上的是小顆粒的細膩層。一般情況下,松散層尚不足以表現出對膜的性能產生什么大的影響,在水流剪切力的作用下可以沖冼掉,膜表面上的細膩層則對膜性能正常發揮產生較大的影響。因為該污染層的存在,有大量的膜孔被覆蓋,而且該層內的微粒及其它雜質之間長時間的相互作用極易凝膠成濾餅,增加透水阻力。
膜孔堵塞是指微細粒子塞入膜孔內,或者膜孔內壁因吸附蛋白質等雜質形成沉淀而使膜孔變小或者完全堵塞。這種現象的產生,一般是不可逆過程。
7.1.2 污染物質
污染物質因處理料液的不同而各異,無法一一列出,但大致可分下述幾種類型:
a) 膠體污染:膠體主要是存在于地表水中,特別是隨著季節的變化,水中含有大量的懸浮物如粘土、淤泥等膠體,均布于水體中,它對濾膜的危害性極大。因為在過濾過程中,大量膠體微粒隨透過膜的水流涌至膜表面,長期的連續運行,被膜截留下來的微粒容易形成凝膠層,更有甚者,一些與膜孔徑大小相當及小于膜孔徑的粒子會滲入膜孔內部堵塞流水通道而產生不可逆的變化現象。
b) 有機物污染:水中的有機物,有的是在水處理過程中人工加入的,如表面活性劑、清潔劑和高分子聚合物絮凝劑等,有的則是天然水中就存在的,如腐殖酸、丹寧酸等。這些物質也可以吸附于膜表面而損害膜的性能。
c) 微生物污染:微生物污染對濾膜的長期安全運行也是一個危險因素。一些營養物質被膜截留而積聚于膜表面,細菌在這種環境中迅速繁殖,活的細菌連同其排泄物質,形成微生物粘液而緊緊粘附于膜表面,這些粘液與其他沉淀物相結合,構成了一個復雜的覆蓋層,其結果不但影響到膜的透水量,也包括使膜產生不可逆的損傷。
7.2 流量
7.2.1 產水流量
范圍是1.0~3.0m3/h支膜組件。
HFUF膜組件工作時需用的產水通量,取決于進水水質,這是由于膜對不同的截留物有一個極限負荷,承受過大的負荷會造成膜通量的急劇下降。
HFUF產水通量與進水水質的關系詳見3.2表格。
7.2.2 濃水排放流量
范圍在0~0.75m3/h
一般進水條件下,HFUF采用的是全流過濾運行方式,此時濃水排放量為零。當進水濁度大于15NTU,為了減輕膜表面負荷,HFUF采用了錯流過濾運行方式,即部分濃水排放。該運行模式下HFUF濃水排放量根據中試試驗確定。
7.2.3 反冼流量
反冼流量越大,對膜組件的清洗效果就越好。但是反洗流量大,就需要在中空纖維膜的內壁施以較大的水壓,過大的水壓會導致中空纖維膜的破裂,故反洗流量是通過反洗水壓來控制的。
HFUF的反洗壓力應控制在不大于0.15MPa。
7.2.4 正洗流量
HFUF的正洗流量可以控制在每支組件1.0-2.0 m3/h范圍內。
7.2.5 進氣量
對HFUF組件進行夾氣反洗的目的,就是利用壓縮氣體在組件內纖維之間的爆破形成的震蕩,使附著在膜纖維表面的污染物質得以剝落,并被沖洗水帶走,從而達到強化沖洗效果和節約反洗耗水的目的。但過分強烈的汽流會導致膜纖維的破裂,造成產水水質的下降。
進氣量的控制是通過對進氣壓力的控制來完成的,進氣壓力應控制在小于0.25MPa為宜,氣水混合擦洗時壓力應小于0.15MPa。
7.3 反洗間隔時間
由于HFUF采用了全流過濾的運行模式,為了保證濾膜在此工作狀態下的膜通量不發生大的衰減,HFUF采用了頻繁沖洗技術,使膜表面截留的污染物在形成較厚的濾餅前被清除。
頻繁沖洗的頻度取決于進水中雜質的含量和種類,一般需通過現場的調試來確定,并且在運行過程中根據進水的變化及時予以調整。
頻度的初始選擇范圍見3.2表格。
7.4 操作壓力
7.4.1 進出水壓力差
即作用于膜兩側的壓力差,它是完成膜過濾的推動力。
△P = Pj - Pc (全流過濾)
△P =(Pj + Pn)/2 -Pc (錯流過濾)
△P -進出水壓力差
Pj ― 進水壓力Pc ― 產水壓力Pn ― 濃水壓力
△P與膜產水通量在一定的范圍內呈正比關系,但達到一定程度后,△P對產水通量的增加作用將急劇減弱。
膜對截留物的截留率卻與△P呈反比關系,即隨著△P的加大膜截留率逐步降低。
同時,膜內外壓力差太大會造成中空纖維絲的受壓失穩變形,發生不可逆損壞。
HFUF最大允許進出水壓力差是0.21MPa。
7.4.2 進水壓力
即HFUF組件殼體所能承受的最大工作壓力,HFUF最大允許進水壓力是0.6MPa。
7.4.3 反洗水壓力
反洗水壓力的控制要求及其作用已在7.2.3中說明,不再重復敘述。控制HFUF的反洗水壓力≤0.15MPa。
7.4.4 夾氣反洗進氣壓力
夾氣反洗進氣壓力的控制要求及其作用已在6.2.5中說明,不再重復敘述。控制HFUF的夾氣反洗進氣壓力≤0.15MPa。
7.5 進水水溫
膜的通量與進水溫度有顯著的直接關系,不同水溫下的通量可通過以下公式計算:
Q t = 1.03T- 25×Q25
Q t-HFUF 在t水溫下的產水量
Q25-HFUF 在25℃水溫下的產水量
T-HFUF 進水水溫℃
7.6 運行數據的記錄
HFUF裝置基本上很少需維修,關鍵是保證采用正確的運行參數。必要的運行記錄有利于跟蹤裝置的運行情況,也有利于幫助找出問題的所在。
下面的參數必須每兩小時記錄一次:
l 進水壓力(MPa)
l 產水壓力(MPa)
l 濃水排放流量(m3/h)(錯流過濾時)
l 淡水流量(m3/h)
l 產水濁度(NTU)
l 進水溫度(℃)
下面的參數必須每周測定一次
l 進水CODMn(mg/L)
l 產水CODMn(mg/L)
l 產水SDI15
通過監控流量以及相應的壓力降,就可以對組件污染的程度作出判斷。
壓力系數 =
進水側平均壓力 = (進口壓力 + 濃水出口壓力)÷ 2 (錯流過濾)
進水側平均壓力 = 進口壓 (全流過濾)
每天應以時間為橫坐標,產水壓力系數為縱坐標繪制曲線圖,如果發現曲線較運行開始下降20%,裝置運行參數需要及時做調整。并正確選擇清洗配方對HFUF膜組件進行清洗。
8 HFUF裝置的過程控制
8.1 簡介
HFUF裝置根據用戶需要一般被設計為手動或手動/自動兩種控制模式。
裝置有三種運行工況,分別為待啟動狀態、工作狀態和沖洗狀態。
1.待啟動狀態:
當裝置被設計為待啟動狀態時,所有閥門均處于關閉狀態。
2.工作狀態:
工作狀態就是HFUF裝置制取合格產水輸送給下級水處理設備。
3.沖洗狀態:
沖洗狀態就是HFUF裝置每間隔一定的時間段,啟動沖洗泵,開啟相應的閥門從濾膜的逆向和正向對膜面進行沖洗,以恢復膜因污染而產生的通量衰減。
當數臺HFUF裝置并聯工作時,每臺進入沖洗狀態的時間均保持有一定的時間差,以保證系統外供水量的穩定。
8.1.1 手動控制模式
手動控制即裝置的啟動、停機、沖洗均通過操作者手動完成。具體詳細操作方法見第4-5章節。
8.1.2 自動控制模式
HFUF裝置自動控制功能由就地PLC完成。處理器對突發性斷電有一定的記憶功能。
HFUF裝置剛接通電源時,裝置處于待啟動狀態。
裝置一旦斷電,供水泵和計量泵將停止,并且所有閥門均轉入關閉狀態。
當電源重新接通時,裝置將再一次處于待啟動狀態。
裝置控制盤內安裝的PLC如果配帶有通訊接口,HFUF裝置可以實現上位機遠程控制。
8.1.3 裝置關閉條件
HFUF裝置自動關閉條件如下:
1.現場的操作平臺或遠程PLC的要求;
2.供水泵出現故障或者開關沒有置于自動檔;
3.控制閥出現故障或者開關沒有置于自動檔;
4.產水背壓過高。
8.2 氧化劑溶液注入裝置(選配件)
在裝置進水的有機物含量高的條件下,需要向反洗水中加入氧化劑以提高清洗效果。
氧化劑注入系統包括計量泵和溶液計量容器。計量容器中貯存的是一定濃度的氧化劑溶液。它通過人工加藥和水來補充。
氧化劑溶液計量容器設有最低液位開關。配備一臺泵用于系統的加藥。泵輸出量的變化,是就地通過人工對泵沖程和頻率的調節來實現的。
8.3 裝置內鎖或者報警
報警設置點設置在現場儀表內。儀表輸出開關信號或4-20mA給PLC,通過PLC進行報警并使系統處于內鎖狀態。定時器的值是用PLC碼預先設定的,操作者不能隨意改變。
9 系統的維護及故障分析
9.1 系統的日常維護
1.壓力表
按期校準,必要時及時調整。
2.離心泵
定期檢查泵的溫度,同時檢查泵的墊圈以及其它防止泵泄漏的結構。
3. 流量儀表
每三個月校正一次。
4.自動切換閥(選擇件)
每月檢查一次,同時檢查閥體是否有泄漏。
5.HFUF裝置
按常規要求檢查進水水質。進水水質的要求和檢查的具體細節,詳見操作指導部分;同時檢測HFUF系統的產水流量和運行壓力,詳見操作指導中運行數據趨勢圖部分。
按常規檢查HFUF系統特別是組件的泄漏情況,一旦發現立即維護。
警告:有關電方面的操作,必須由經過訓練并且取得資格證書的人員操作。
9.2 系統的故障分析

10 HFUF裝置的清洗
HFUF裝置在其長期使用運行過程中,膜表面會被它截留的各種有害雜質所覆蓋而形成濾餅層,甚至膜孔也會被更為細小的雜質堵塞,使水的透膜壓力增大。預處理質量的好壞,只能解決膜被污染速度的快慢問題。而無法從根本上解決污染問題。即使預處理再徹底,水中極少時的雜質也會因日積月累而使膜的分離性能逐漸受到影響,因此,HFUF裝置在使用運行過程中每隔1-3月一次或在相同運行條件下壓差上升0.05-0.1MPa時應對膜組件進行化學清洗,以恢復膜的通量和截留率。
清洗膜的方法可分物理方法和化學方法兩大類。其中物理清洗是利用機械的力量,來剝離膜面污染物。整個清洗過程不發生任何化學反應。即包含前文所提到的正壓沖洗和反沖洗法。在此不再累敘。下面詳細介紹一下化學清洗。
化學清洗,是利用某種化學藥品與膜面污染物發生化學反應來達到清洗膜的目的。選擇化學藥品原則:不能與膜及其他組件材質發生任何化學反應;不能因為使用化學藥品而引起二次污染。
化學藥品的清洗方式有兩種:化學分散清洗:將化學藥劑注入反洗水中,以強化清洗效果;化學清洗:通過專用的清洗系統配制更高濃度的清洗液對膜進行較長時間的清洗。

10.1 HFUF膜組件清洗前的準備
10.1.1 清洗方案的選擇
清洗方案(1):采用酸性溶液對HFUF裝置進行清洗。
該清洗方案適用于,由于當進水中Fe或Mn的含量超過設計標準,或者HFUF膜組件的進水中SS特別高,而對膜的濃水側造成的非有機物污染。
一般可選用化學藥品:1~2%檸檬酸水溶液或0.1N草酸溶液或0.1N鹽酸溶液。
清洗方案(2):采用堿性氧化劑溶液對HFUF裝置進行清洗。
當進水中有機物含量高,可能引起濾膜受到有機物污染。并且當條件有利于生物生存時,一些細菌和藻類也將在HFUF膜組件中產生,由此引起生物污染。
一般可選用化學藥品:0.1%NaOH+0.2%NaClO。
10.1.2 清洗液容積的確定
HFUF-IBO200膜組件近似容積為16L。系統循環管路近似容積如下表

注:其中組件水容積指單支組件可容納溶液的容積。
清洗液容積的確定:所有組件水容積+系統循環管路(裝置中的管路+裝置外管路)的容積+適當余量。
裝置內所需的清洗液容積本公司可以提供,系統所需配置藥液的具體容積還應根據現場的實際情況(清洗裝置的遠近等而定)。
10.1.3 安全注意事項
1.避免與NaOH、NaClO這些藥劑直接接觸,該類藥劑具有程度不同的腐蝕性,而 NaClO還是一種強氧化劑。
2.清洗時應控制管線的壓力,以免壓力過高引起化學藥品噴濺。
10.1.4 化學清洗藥劑的質量要求
檸檬酸和NaClO為工業級。NaOH為隔膜堿。
10.1.5 清洗系統設備的配置
清洗罐、清洗泵、清洗過濾器各一臺,(可以共用RO清洗系統)與HFUF系統連接用軟管若干根。
警告:在進行任何清洗操作之前,請認真閱讀和理解清洗方案。注意:
1.HFUF裝置進行化學清洗前都必須先進行夾氣反洗;
2.HFUF裝置的整個清洗過程約需要2—4個小時;
3.如果清洗后HFUF裝置停機時間超過三天,必須按照長時間關閉的要求進行維護。
4.清洗劑在循環進膜組件前必須經過1 ~ 5μm的濾芯過濾,以除去洗下的污物,清洗結束后必須將濾芯取下。
5.清洗液溫度應盡量高一些,一般可控制在30℃~ 40℃。必要時可采用多種清洗劑清洗,但清洗劑和滅菌劑不能對膜和組件材料造成損傷。且每次清洗后,應排盡清洗劑,用純水將系統洗干凈,才可再用另一種清洗劑清洗。
10.2 清洗
清洗的基本程序如下:
a) 清洗系統的準備。
b) 在HFUF膜組件中循環酸性可堿性清洗溶液。
c) 沖洗HFUF膜組件并且返回生產運行狀態。
10.2.1 準備工作
a) 按操作手冊中的關閉程序關閉HFUF系統;
警告:在關閉進水閥門之前,供水系統如系單元制供水,應先關閉供水泵。如系母管制供水,則應注意調整其他并聯運行設備的進水閥,以免承受過高的壓力。
b) 關閉HFUF系統所有閥門;
c) 將濃水的出口管線與清洗罐接通;
d) 將濃水的進口管線與清洗系統設備管線相連接;
e) 清洗管線必須保證無泄漏或者噴濺現象發生;
f) 清洗液的配制:確定好清洗溶液所需容積和清洗方案后,計算出所需各種藥品和溶劑(HFUF或RO產水)的量,進行充分攪拌使其混合均勻。最終形成所需的清洗溶液。
注意:進行清洗時,將有可能會有一些氣體產生。警告:保持所有的管線壓力低于運行壓力,以避免壓力過高引起化學溶液噴濺。
10.2.2 清洗步驟
a) 啟動清洗水泵,緩慢打開清洗水泵出口閥,控制以每個膜組件1000L/h的流量讓清洗溶液進入膜組件進水側,清洗液再由濃水側返回到清洗罐中。循環清洗時間一般為堿洗5min,酸洗30min。
b) 關閉清洗泵,靜置浸泡10—60min。
c) 將清洗罐和清洗泵放空,并用清水沖洗干凈。
10.2.3 沖洗HFUF裝置
沖洗的目的是為了將HFUF裝置中殘余的化學溶液除去。
a) 啟動反沖洗程序;
b) 打開濃水排放閥門
c) 打開HFUF裝置的進水閥門,使進水通過HFUF膜組件,直到進水和濃水的電導率差值(高出之值)堿洗在20μS/cm之內,酸洗在50μS/cm之內,或者直至進水和濃水的pH值基本相等。
d) 返回生產運行狀態。(詳見第4部分系統的啟動)
注意:進行清洗時,將有可能會有一些氣體產生。
警告:保持所有的管線壓力低于運行壓力,以避免壓力過高引起化學溶液噴濺。
注意:NaOH固體及溶液以及NaClO均具有強腐蝕性,操作者應穿戴全部防護用品,避免與其直接接觸。
來自:廢水回用研究









